tram e trasporto pubblico a Roma
Tecnica filoviaria
Isolamento e collegamento a terra delle casse dei rotabili filoviari
Sistemi di messa a terra e di rilevamento dispersione sui filobus ATAG e ATAC, 1937-1972
LEAKALARM, misterioso nome che il webeditor vedeva scritto su un
altrettanto misterioso oggetto presente tra gli strumenti del filobus...
Premessa: le tensioni verso terra nelle apparecchiature elettriche.

Fig. 1
In fig. 1,a è rappresentata una linea a due fili, alimentata in corrente continua da un generatore G; la linea si suppone perfettamente isolata da terra, sia sulla sospensione dei fili che nel montaggio del generatore. In queste condizioni si potrebbe supporre che una persona P, posta a terra, potesse toccare uno dei fili senza ricevere alcuna scossa, dal momento che apparentemente non può chiudersi alcun circuito che interessi il suo corpo.
Ma non è così: ogni filo della linea presenta verso terra una certa capacità, ossia filo e terra costituiscono le armature di un condensatore: in fig. 1,b sono rappresentati i condensatori C', C" che indicano, appunto, le capacità dei fili a, b verso terra. Si vede subito che C' e C" costituiscono un sistema di due condensatori posti in serie attraverso la terra e alimentati dalla tensione di linea V; dato che su due condensatori in serie si localizzano delle tensioni in ragione inversa delle rispettive capacità avremo (fig. 1,c) su C' la tensione V'=VC"/(C'+C") e su C" la V"=VC'/(C'+C"). La persona che toccasse a riceverebbe la scarica di C' mentre toccando b riceverebbe quella di C".
Supponendo V=600 V, C'=10 pF, C"=20 pF avremmo V'=600.20/30=400 V e V"=600.10/30=200 V; si deve naturalmente supporre che, come avviene normalmente, il collegamento a terra delle persone sia tale da permettere il passaggio di una sensibile corrente di scarica; se quelli si mettono su isolatori di porcellana possono tranquillamente toccare i fili.
All'atto pratico, fili, generatore, ecc. sono ben lungi da essere perfettamente isolati da terra, viste le inevitabili resistenze di dispersione R (fig. 1,d) e di conseguenza, alla scarica capacitiva di cui sopra si aggiunge, per chi tocca i fili, la corrente di conduzione attraverso queste resistenze. La questione interessa da vicino i mezzi di trasporto a trazione elettrica, non tanto quelli su rotaia quanto quelli su gomma.
Caso dei mezzi su rotaia.
Per questi, se il ritorno della corrente avviene tramite le rotaie di corsa come è nella maggior parte dei casi, il polo del generatore collegato alle rotaie è sempre posto stabilmente a terra ed è di solito il negativo per ridurre i possibili fenomeni di corrosione delle tubature sotterranee.
La questione della corrosione delle tubazioni a causa della corrente di ritorno ha dato luogo ad infinite liti e controversie fin dai primordi della trazione elettrica. Se la corrente di ritorno ad es. di un locomotore si incanalasse tutta per le rotaie tornando al generatore, non si avrebbe nessun fenomeno nocivo; ma talvolta ciò non avviene ed una parte della corrente abbandona le rotaie vagando, nel suo percorso di ritorno, per il terreno; ciò può facilmente avvenire, ad esempio, per un giunto di due rotaie mal fatto o con la connessione elettrica interrotta: il giunto costituisce allora un tratto di resistenza elettrica relativamente elevata e la corrente trova una via di minore resistenza nel terreno circostante. Se poi la corrente incontra una tubazione che si presti allo scopo, può entrarvi (per modo di dire, ovviamente) riuscendone fuori nei pressi della stazione generatrice, cioè la tubazione si sostituisce ad una parte del circuito di ritorno. Ma il terreno, ricco di umidità e di sali in soluzione è spesso un ottimo elettrolita e rotaia da una parte e tubazione dall'altra costituiscono gli elettrodi di una cella elettrolitica e si sa che nei processi di elettrolisi vi è sempre un trasporto di materia tra i due elettrodi: nella fattispecie, si ha un trasporto di ferro, ossia corrosione con asporto di materiale, tra l'elettrodo positivo e quello negativo e l'elettrodo che cede materiale è l'anodo, cioè il polo positivo, quello che ne riceve è il catodo, polo negativo. Dal momento che vogliamo evitare la corrosione del tubo, dovremo far sì che la rotaia rappresenti l'anodo della cella, ossia che il suo potenziale sia sempre positivo rispetto al terreno; ecco perchè alla rotaia si collega il polo negativo del generatore e non il positivo.

Fig. 2
La fig. 2 riporta un caso pratico: sulla linea a 500 V è in trazione una motrice che assorbe 100 A, quindi la sua resistenza interna è R=500/100=5 Ω e la resistenza della rotaia fino al generatore è r=0,05 Ω; la tensione risultante nella zona di possibile corrosione (rettangolo grigio) è di 4,95 V positiva rispetto a terra. Collegando alla rotaia il positivo, si sarebbe avuta la stessa tensione, ma negativa rispetto a terra.
La cassa con tutte le relative parti metalliche delle vetture è sempre elettricamente collegata alle ruote e risulta sempre equipotenziale con le rotaie; da questo punto di vista nessun pericolo vi è per i viaggiatori che all'accesso o all'uscita, ponendo i piedi a terra e sorreggendosi ai mancorrenti o in altra simile situazione, si trovassero a fare da ponte tra rotabile e terra. L'unico caso pericoloso, ma in verità difficile a verificarsi, è quello di una motrice che svii completamente, con la perdita di contatto tra ruote e rotaie per tutti gli assi, ma con mantenimento in contatto della presa di corrente; in tal caso, anche a circuito di trazione aperto, i vari circuiti ausiliari chiusi (illuminazione, eventuale compressore, ecc.) manterrebbero la cassa a potenziale di linea con pericolo per chi, come prima accennato, faccia da ponte verso terra.
Per gli impianti con ritorno isolato dalle rotaie, come oramai avviene solo su alcune linee metropolitane, il problema si pone in modo analogo a quello per i rotabili filoviari (ved. seguito), anche se semplificato ancora dal fatto che qui è sempre disponibile il sicuro collegamento a terra dato dalle rotaie di corsa e che è altamente improbabile il caso delle svio totale sopra accennato.
Caso dei mezzi filoviari; soluzioni adottate in trazione filoviaria fino al 1960.
Qui il problema è complicato dal fatto che il filobus non dispone di un sicuro collegamento a terra: anche se alla stazione generatrice il polo negativo del bifilare è posto a terra, sulla vettura il collegamento a terra si può avere solo attraverso una delle aste (1) che come tutti sappiamo può facilmente perdere contatto per scarrucolamento. Si pone la questione di che fare della cassa del rotabile: collegarla all'asta negativa o lasciarla isolata? Sia l'uno che l'altro provvedimento presentano inconvenienti e difficoltà, anche perchè non si può fare affidamento sul fatto che la stessa asta sia sempre collegata alla stessa polarità: negli inevitabili tratti a bifilare unico e quando un filobus, per motivi di traffico, debba alimentarsi dal bifilare del senso opposto, le polarità delle aste risultano invertite rispetto a quelle del normale esercizio. Le seguenti considerazioni descrivono le soluzioni successivamente adottate sui filobus ATAG e ATAC; si nota come la prima soluzione adottata non permette la marcia del filobus sotto bifilare illegale, ciò che evidentemente appare subito come un grave inconveniente, visto che i successivi sistemi non hanno questa limitazione.
Rotabili dei gruppi prototipo con parte elettrica Breda, TIBB, CGE.
Richiamiamo qui alcune caratteristiche dei 36 filobus entrati in servizio nel 1937 come serie prototipo; questi filobus, posti in esercizio, forniranno all'ATAG preziose informazioni per la costruzione dei rotabili di imminente produzione.
Filobus ATAG entrati in servizio nel 1937
| mese | quant. | gr. | num. eserc. | mecc. | eq. elettr. |
| gennaio | 8 | I | 4033-4047 | Fiat | CGE |
| 1 | II | 4017 | Stanga | TIBB | |
| febbraio | 1 | II | 4019 | Stanga | TIBB |
| marzo | 2 | III | 4049, 4061 | Alfa R. | CGE |
| 4 | IV | 4001-4005, 4009 | Breda | Breda | |
| 2 | - | 4065, 4067 | Fiat | Marelli | |
| 2 | II | 4025, 4027 | Stanga | TIBB | |
| aprile | 1 | IV | 4011 | Breda | Breda |
| 2 | III | 4051, 4057 | Alfa R. | CGE | |
| 2 | II | 4023, 4029 | Stanga | TIBB | |
| maggio | 2 | II | 4021, 4031 | Stanga | TIBB |
| 3 | IV | 4007, 4013, 4015 | Breda | Breda | |
| 4 | III | 4053, 4055, 4059, 4063 | Alfa R. | CGE | |
| 2 | - | 4069, 4071 | Fiat | Marelli |
I gruppi normalmente considerati come prototipi sono i quattro Fiat/CGE, Stanga/TIBB, Alfa/CGE e Breda; un quinto gruppo costituito dalle quattro vetture Fiat/Marelli sembra sia stato aggiunto in un secondo tempo e non se ne hanno dati esaurienti.
Le soluzioni adottate su queste prime vetture non sono omogenee. Troviamo infatti la seguente situazione, dedotta dagli ordini di servizio ATAG citati.

Fig. 3 - Principio della protezione a relè polarizzato semplice e doppio.
Si nota quindi che nel gennaio 1937 arrivano all'ATAG nove filobus, dei quali solo uno è in grado di percorrere tratti di bifilare illegale come polarità, mentre il mese successivo arriverà un secondo rotabile dello stesso tipo. Ciò porterebbe ad escludere che la soluzione 2 possa essere una variante dalla 1 richiesta dall'ATAG per la soggezione nell'esercizio data dall'impossibilità per alcuni filobus di percorrere certi tratti della rete; l'industria deve aver fornito all'ATAG gli esemplari di due soluzioni, forse per poter istituire un confronto.
Contrariamente a quanto potrebbe sembrare, il sistema è tutt'altro che sicuro in entrambe le soluzioni. Se l'asta negativa scarrucola, diseccitando la bobina di A, il contatto a si apre isolando la cassa; ma nell'intervallo di tempo tra la cessazione dell'alimentazione di A e l'effettiva apertura di a, la cassa risulta collegata all'asta T1 attraverso l'avvolgimento del relè e quindi praticamente si trova a tensione di linea; una persona che in quel momento si trovasse con un piede sul gradino e l'altro a terra o, peggio ancora, con una mano su un mancorrente metallico e un piede a terra riceverebbe una scossa potenzialmente letale. Si potrebbe obbiettare che uno scarrucolamento avviene sempre con rotabile in moto e che quindi, prima che lo stesso si arresti e i passeggeri inizino a scendere, il contatto a si sarebbe sicuramente aperto; ma il rischio resta per altre eventualità, come ad esempio nel caso che un agente, a rotabile fermo e passeggeri in fase di discesa, stacchi inavvertitamente l'asta negativa. Oltre a ciò (a ns. modesto parere) il relè polarizzato era un componente troppo delicato e di scarsa affidabilità fino allora usato quasi esclusivamente in telecomunicazioni; nel circuito b) un suo bloccaggio sulla posizione errata avrebbe posto la cassa direttamente in comunicazione con il filo positivo.
Il collegare la cassa al filo negativo è poi ingannevole anche per un altro aspetto. Se il filobus si trova sufficientemente distante dal punto di alimentazione, la caduta di tensione sui fili può raggiungere anche un valore relativamente elevato, come risulta dal seguente esempio. Linea aerea con bifilare 2x85 mmq, tensione 550 V, vetture filoviarie con due motori da 60 CV=44 kW (esempio tratto da o.s. ATAG per la linea 129 del 1939). Un filo da 85 mmq presenta una resistenza chilometrica di 0,215 ohm/km; supponendo un solo filobus in servizio la corrente massima assorbita è 88.103/550=160 A; per avere nel filo una caduta di 100 V occorre una resistenza di 100/160=0,626 ohm, corrispondente ad una lunghezza di linea di 0,626/0,215=2,9 km. Quindi a 3 km circa dal punto di alimentazione il filo negativo si può già trovare a 100 V rispetto a terra; se poi sulla tratta si trovano più vetture, la tensione sarà anche maggiore. Il calcolo è ovviamente del tutto teorico e si potrebbe obbiettare che se il filobus assorbe 160 A non è certo fermo e nessun passeggero può trovarsi in fase di discesa, ma potrebbe darsi il caso sfortunato di un filobus fermo dietro ad un altro in fase di avviamento...
Rotabili dei gruppi di produzione, a due e a tre assi.
A quanto pare la soluzione del relè polarizzato non deve dare buoni risultati in esercizio, forse proprio per gli inconvenienti prima segnalati, visto che in tutte le serie di filobus seguenti quelle prototipo si rinuncia al collegamento della cassa al negativo lasciando la stessa isolata e dotando il mezzo di un sistema di rilevamento di dispersione, chiamato con termine inglese Leakalarm, termine che significa proprio allarme per dispersione. Il Leakalarm segnala, a mezzo dell'accensione di una lampada al neon, una eventuale deficienza di isolamento tra cassa del filobus e asta positiva; il conducente può anche provare a sua volontà l'isolamento della cassa azionando un pulsante previsto sull'apparato.

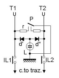
Fig. 4 - Principio di funzionamento del Leakalarm.
Il principio di funzionamento del Leakalarm è mostrato in fig. 4. La lampada al neon L è collegata da un lato alla cassa del filobus (segno di terra) e dall'altra alle aste T1 e T2 attraverso due elementi raddrizzatori d', d". In condizioni normali, assenza di dispersione, ai terminali della lampada non vi è tensione apprezzabile; se la cassa va in dispersione con l'asta positiva, ad es. T1, si crea un circuito T1(+)-cassa-L-d"-T2 (-) e la lampada si accende segnalando il guasto; se la dispersione è verso l'asta a terra, nell'esempio T2, non si ha alcuna segnalazione. In caso di inversione della polarità delle aste si ha lo stesso funzionamento, interessando l'elemento d'. Un tasto P (su alcuni modelli due tasti) provoca una dispersione artificiale verso le due aste inserendo due resistenze r, ciò che deve essere segnalato, per controllo, dall'accensione di L.
Gli elementi citati sono valvole a funzionamento elettrolitico che, oltre a presentare una conduzione unidirezionale come gli ordinari diodi, presentano una resistenza elevatissima, dell'ordine dei megaohm, per tensione applicata entro una certa soglia, superata la quale cade rapidamente; per questa caratteristica erano spesso impiegati come scaricatori contro le sovratensioni.
E' evidente che, mentre il sistema del relè polarizzato agiva in modo positivo collegando elettricamente la cassa del filobus al negativo di alimentazione, l'azione del Leakalarm si limitava ad una pura e semplice segnalazione, in presenza della quale il conducente era tenuto ad abbassare subito le aste, senza aprire le porte, scendendo dalla vettura dalla porta di servizio saltando a terra, ossia evitando di poter fare ponte tra la cassa del filobus e terra; solo ad aste staccate, poteva risalire sulla vettura e aprire le porte per far scendere i passeggeri. Oltre a ciò se la cassa fosse veramente isolata da terra, la stessa potrebbe assumere un potenziale elevato per le capacità parassite verso terra, verso la linea ecc.; ma, l'isolamento essendo sempre relativo, questa possibilità appare molto remota.
In qualche caso, però, capitava che un passeggero in fase di salita, afferrando uno dei mancorrenti verticali, ricevesse una scossa alla mano; questo accedeva di frequente nel 1948 per gli autobus di tipo turistico che l'ATAC aveva messo in servizio sulle linee celeri. Il fenomeno, che si presentava d'inverno nelle giornate asciutte, era dovuto alla carica elettrostatica assunta dalla cassa del rotabile per lo sfregamento dei pneumatici sul selciato, forse anche per una particolare composizione delle gomme (anche se qualche conducente diceva: "Ce sta la scarica della bateria...").

A sinistra: il Leakalarm di origine ad un tasto; al centro e a destra montato sulla
tavola portastrumenti risp. di un Alfa/TIBB a tre assi e un Fiat/CGE a due assi.

Un Leakalarm a due tasti su un Alfa/TIBB e su un Alfa/CGE a tre assi.
Un ordine di servizio ATAG del 12 gennaio 1939 informa che tutte le vetture filoviarie dell'azienda, a due o tre assi, sono predisposte per poter marciare sotto il bifilare indipendentemente dalla polarità delle aste: da ciò si deve dedurre che a tale data, ma probabilmente già da qualche tempo, gli apparati di rilevamento dispersione a relè polarizzato dei primi rotabili a due assi sono stati sostituiti dai Leakalarm. Ciò è confermato da alcune immagini dei posti di condotta di tali vetture, nelle quali si vede il Leakalarm montato a parete.

Su un Breda a due assi il Leakalarm montato a parete,
in sostituzione del precedente sistema a relè polarizzato.
Osservazione. - A metà degli anni Trenta il Leakalarm era un dispositivo già largamente utilizzato sui rotabili delle numerose reti filoviarie inglesi e americane e non si vede il motivo per il quale i nuovi filobus per Roma abbiano dovuto adottare il sistema del relè polarizzato (si potrebbe sospettare una questione politico-autarchica nel non voler usare un brevetto anglo-americano).
Da alcuni ordini di servizio ATAG.
O.S. 112 del 17-II-1937 (Apparecchiatura di sicurezza sulle vetture filobus con chassis e carrozzeria FIAT ed equipaggiamento elettrico CGE).
...i filobus in esso [un precedente o.s.] considerati sono provveduti di una apparecchiatura di sicurezza avente lo scopo di collegare elettricamente la massa metallica della vettura con il filo negativo della linea, nonchè di interrompere la corrente di linea nei circuiti della vettura in caso di difetto di isolamento del veicolo. Detta apparecchiatura di sicurezza è costituita da due interruttori, inseriti uno sul filo positivo e l'altro sul filo negativo, posti subito a valle delle aste di presa di corrente. Tali interruttori sono comandati da un relè polarizzato, alimentato dalla corrente delle batteria di accumulatori e dalla corrente di linea, il quale comanda la chiusura dei due interruttori, e quindi permette la marcia delle vetture, solamente nel caso in cui l'asta di presa positiva sia collegata col filo di linea positivo e quella negativa col filo di linea negativo.
O.S. 113 del 17-II-1937 (Vetture filobus su chassis e carrozzeria Della Stanga ed equipaggiamento elettrico del Tecnomasio italiano Brown Boveri).
Apparecchiatura di sicurezza. Ha lo scopo di collegare elettricamente la massa metallica della vettura con il filo negativo della linea, nonchè di interrompere la corrente di linea nei circuiti della vettura in caso di difetto di isolamento del veicolo. Tali interruttori sono comandati da un doppio relè polarizzato, alimentato dalla corrente delle batteria di accumulatori e dalla corrente di linea, il quale comanda la chiusura dei due interruttori, e quindi permette la marcia delle vetture anche se vengono scambiate tra loro le polarità delle prese di corrente. In altre parole, la vettura può marciare sia che le aste di presa (positiva e negativa) vengano collegate rispettivamente al filo di linea positivo e negativo, sia che l'asta positiva venga collegata al filo negativo e quella negativa al filo positivo.
In entrambi gli o.s. la frase "...nonchè di interrompere la corrente di linea nei circuiti della vettura in caso di difetto di isolamento del veicolo" sembra priva di senso, visto che, essendo durante la marcia la cassa collegata al filo negativo, nessun difetto di isolamento potrà essere rilevato; un eventuale difetto potrà rilevarsi solo ad uno stacco seguito da un riattacco delle aste.
O.S. 195 del 26-III-1937 (Vetture filobus su chassis Alfa Romeo, carrozzeria Macchi ed equipaggiamento elettrico della Compagnia generale di elettricità).
Apparecchiatura di sicurezza. (...) Tali interruttori sono comandati da un doppio relè polarizzato, alimentato dalla corrente delle batteria di accumulatori e dalla corrente di linea, il quale comanda la chiusura dei due interruttori, e quindi permette la marcia delle vetture solamente nel caso in cui l'asta di presa positiva sia collegata col filo positivo e quella negativa col filo negativo.
O.S. 257 del 17-IV-1937 (Vetture filobus su chassis, carrozzeria ed equipaggiamento elettrico della società italiana Ernesto Breda).
Apparecchiatura di sicurezza. (...) Tali interruttori sono comandati da un relè polarizzato, alimentato dalla corrente delle batterie di accumulatori e dalla corrente di linea, il quale comanda la chiusura dei due interruttori, e quindi permette la marcia delle vetture solamente nel caso in cui l'asta di presa positiva sia collegata col filo positivo e quella negativa col filo negativo.

Dispositivi di protezione su filobus Fiat e Breda.
O.S. 258 del 17-IV-1937 (Vetture filobus su chassis e carrozzeria Fiat ed equipaggiamento elettrico della società Marelli). L'o.s. non dà indicazioni sul sistema di protezione.
Una nota di un lettore (Marco Montanarini)
Nel 1953 Rimini ottenne, per rinforzare il parco veicoli, due FIAT 488F con avviatore CGE e due motori dalla rete di Venezia-Mestre. I due filobus erano stati consegnati alla filovia Venezia-Mestre nel 1933 ed a Rimini potevano circolare solo come rinforzi nel tratto Rimini-Bellariva in quanto "non potevano circolare a polarità invertite". Oltre Bellariva il bifilare era unico fino a Riccione, in quanto ricostruito provvisoriamente dopo i danni della guerra. Il raddoppio del bifilare avvenne solo nel 1956 se ben ricordo. Quindi, almeno due filobus della Venezia-Mestre usavano il relè polarizzato ed è logico ritenere che tutto il gruppo di FIAT 488F con avviatori CGE del 1933-34 utilizzasse lo stesso sistema.
Si dovrebbe dedurne che il sistema a relè polarizzato a bobina unica fosse il dispositivo di origine.
_____________
(1) Per le prese di corrente filoviarie preferiamo usare il termine (fascista) asta in luogo del generico trolley, che include qualsiasi tipo di presa di corrente per rotabili a trazione elettrica.
| Home Page | presentazione | rete filoviaria |
rev. D1 06/08/21