tram e trasporto pubblico a Roma
Rotabili dei tram dei Castelli
La funicolare Valle Vergine-Rocca di Papa;
come funzionava
Dati della funicolare Valle Vergine-Rocca di Papa.
La funicolare è servita da due vetture, a turno una ascendente e l’altra discendente, collegate da una fune di trazione che alla stazione superiore si avvolge sulle pulegge di un argano, mentre lungo la linea è sostenuta da rulli ad asse orizzontale. Il binario è sormontato da una linea aerea a due fili, uno per l'illuminazione delle vetture e l'altro per i comandi e le segnalazioni; le vetture sono dotate di un piccolo pantografo con due striscianti isolati per i due fili.
L’argano si compone di una doppia puleggia motrice PM (parte superiore dello schema a fianco), una doppia puleggia di rinvio CP e una puleggia di deviazione PF, sulle quali passa la fune di trazione. La puleggia motrice è mossa, attraverso una coppia di ingranaggi, da un albero di rinvio dotato di un innesto a frizione F; l’albero di rinvio, tramite altra coppia di ingranaggi, è azionato da un albero motore che è reso solidale ad uno dei motori di trazione, M~ a corrente alternata (90 CV) ed M= a corrente continua (70 CV), dal giunto ad innesto G o dall’analogo H. L’albero motore è munito di due freni, a nastro ed elettromagnetico; quest’ultimo è azionabile sia da un interruttore tachimetrico posto sull’argano che dagli interruttori di fine corsa predisposti sulla via in prossimità delle stazioni. Il sistema frenante applicato alle due vetture è costituito da un freno ad aria compressa, agente sulla rotaia in prossimità delle due ruote con bordini che interviene sia su comando del manovratore, che automaticamente in caso di rottura della fune o se la velocità del rotabile supera del 30% quella massima prevista. Il sistema frenante comprende un serbatoio S di aria a 7 kg/cmq fornita da un compressore assiale, un distributore D e un cilindro C di azionamento dei freni (parte inferiore dello schema a fianco). La pressione presente in S si trova anche nella parte a del distributore, mentre, con la valvola b chiusa, nella parte c dello stesso e nel cilindro a freno C è presente la pressione atmosferica; la frenatura si ha a seguito dell’apertura della valvola b che immette aria compressa nel cilindro.

Nella parte destra del distributore si trova uno stantuffo s collegato alla valvola b; le parti del distributore a sinistra m e a destra n di s sono tra loro in comunicazione tramite una pompa Q ed una strozzatura regolabile X. La pompa è azionata da un assale del rotabile e mantiene la circolazione di aria tra le due parti del distributore attraverso la strozzatura, la presenza della quale stabilisce però una sensibile differenza di pressione tra le due sezioni m ed n di D.
Le cose sono regolate in modo che nella marcia in salita la pressione in m è minore di quella in n e la valvola b resta quindi chiusa; nel cilindro C regna pressione atmosferica e i freni sono aperti. Nella marcia in discesa, invertendosi il senso di rotazione della pompa, la pressione in m supera quella in n e la valvola tenderebbe ad aprirsi se non fosse ostacolata dalla tensione della molla presente in n. Se però, per azione del manovratore sul rubinetto del freno o per intervento del controllo della tensione della fune si immette aria compressa nella camera m, lo stantuffo si sposta verso destra e la valvola si apre immettendo aria nel cilindro a freno. Oltre a ciò, il sistema è tarato in modo che, se la velocità del rotabile e quindi della pompa supera del 30% il valore massimo ammesso, la sola sovrapressione in m è sufficiente ad aprire la valvola e quindi ad azionare il freno. L’azionamento spontaneo del freno dà poi luogo all’immediato arresto dell’argano nella stazione superiore, come più oltre indicato.

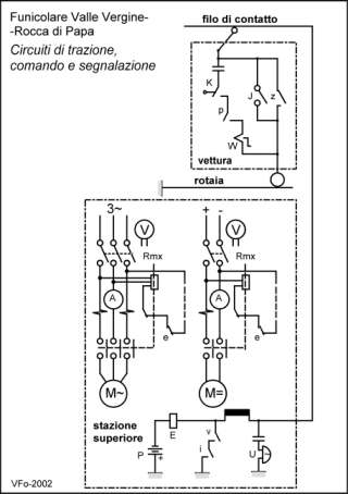
Nella stazione superiore il motore M~ a corrente alternata è quello normalmente in funzione, mentre quello M= a corrente continua interviene in caso di mancanza di tensione di rete o per guasto (schema a fianco). Sia M~ che M= sono protetti da teleruttori con apertura a massima corrente; nel circuito di eccitazione di questi teleruttori, oltre a contatti per funzioni di sicurezza, è presente un contatto di apertura e del relè E posto sul circuito di segnalazione e comando, circuito che da un lato fa capo al filo di contatto disposto lungo la linea e dall’altro ad una batteria di accumulatori P riferita a terra (rotaie). L’apparecchiatura elettrica dei rotabili, in connessione con il circuito di segnalazione e comando attraverso il pantografo, comprende una prima derivazione che presenta, in serie ad un condensatore, la chiave di abilitazione K, un contatto manometrico p che si apre se la pressione nel serbatoio principale del freno scende al di sotto di un dato valore, un generatore di corrente alternata a manovella W; una seconda derivazione mette a terra il filo di contatto tramite l’interruttore J o il contatto z.
Se la chiave di abilitazione è inserita e azionata e se il contatto p è regolarmente chiuso, il manovratore può dare il segnale di partenza alla stazione superiore azionando il generatore W, col che in detta stazione squilla la suoneria U collegata al circuito di segnalazione e comando.
Il manovratore può richiedere l’arresto di emergenza del rotabile chiudendo l’interruttore J che, mettendo a terra il filo di contatto, provoca nella stazione superiore l’eccitazione di E e quindi l’immediato arresto del motore di trazione; analogo risultato si ha se sul rotabile si ha l’intervento del freno di emergenza, il che dà luogo alla chiusura del contatto z o per chiusura del contatto i collegato ai dispositivi di fine corsa presenti alle estremità della linea, qualora la velocità del rotabile sia ancora superiore ad 1 m/s (contatto tachimetrico v).
| Home Page | presentazione | rete dei Castelli |
rev. B 23/05/18